
服務熱線: 電磁脈沖閥生產廠家
您的位置: 河北富宇環(huán)保設備有限公司 > 布袋除塵配件 > 電磁脈沖閥

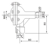
DCF-4型電磁脈沖閥DCF-4型電磁脈沖閥技術性能與QMF-20P型脈沖閥相同,所不同的JK為G3/4”管螺紋,DCF-4型電磁脈沖閥出口與噴吹管連接采用耐壓膠管連接。
DCF-4型電磁脈沖閥技術性能與QMF-20P型脈沖閥相同,所不同的JK為G3/4”管螺紋,出口與噴吹管連接采用耐壓膠管連接。DCF-4型電磁脈沖閥與KD×-l型電磁閥配TA-O能保證兩閥問嚴密.運行穩(wěn)定。DCF-4型電磁脈沖閥


